 |
This task will show you how to create
stacked
dimensions on a view.
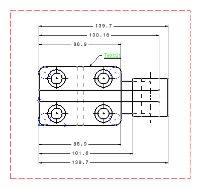
Stacked dimensions are parallel lines with a common extension line.
|
 |
Open the Brackets_views03.CATDrawing
document.
Go to Tools->Options->Mechanical
Design->Drafting->Dimension->Line-Up
and uncheck Align stacked dimension values.
|
 |
1. Click the
Stacked Dimensions icon
from the Dimensioning toolbar (Dimensions sub-toolbar).

|
|
2. Click
a first point on the view.
3. Click a
second point on the view.
You just created a first dimension within the
stacked dimension system.
|
|
4. Click
a third point on the view.
You now created a second stacked dimension in
the system.
|
|
5. Click
a fourth point on the view.
You now created a third stacked dimension in
the system. Note that this stacked dimension inserted
properly into the
system.
You can create as many stacked dimensions as
desired.
|
|
6.
Click in the free space to end the
stacked dimension creation.
|
|
7. Go to Tools->Options->Drafting->Dimensions->Line-up
and check Align stacked dimension values,

create the
previous dimensions again but position them below the drawing:

This time, dimensions are aligned.
|

|
This functionality does not work for radius/diameter
dimensions. |
|
 |
 | When you add a dimension into the cumulated dimension system, in
order to have this system properly displayed (dimensions relatively to
each others), the position of the smallest dimension (the one that is
the closest from the geometry), is not modified. |
 | The value of the spacing between the system dimensions is the one
defined in the Options dialog box (Tools->Options, Drafting at the
left of the dialog box, Dimension tab, LineUp paragraph).
 |
 | As you create the dimensions in the system, you can modify move the
whole system. Still, you actually move the smallest dimension: all the
other dimensions in the system are automatically aligned to this
smallest dimension. |
|

|